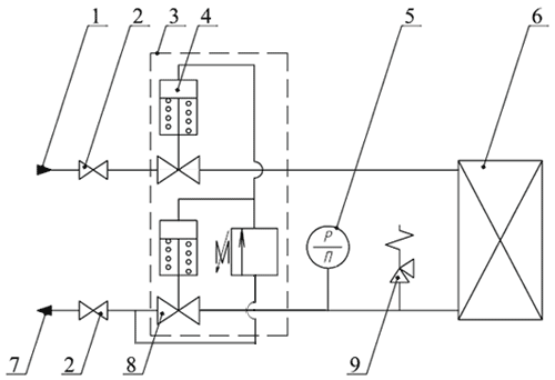
СИСТЕМЫ ЗАЩИТЫ (АЗТ-87)
Ду 40-200
СХЕМА ПОДКЛЮЧЕНИЯ
1 – подающий трубопровод;
2 – кран;
3 – система защиты тепловых пунктов;
4 – отсечной клапан на подающем трубопроводе;
5 – манометр;
6 – потребитель, подключенный по зависимой схеме подачи теплоносителя;
7 – обратный трубопровод;
8 – отсечной клапан на обратном трубопроводе;
9 – предохранительный клапан.
